PICO-CHART-E-PACKAGE là một giải pháp toàn diện được thiết kế đặc biệt để kiểm tra các ống trao đổi nhiệt. Hệ thống cung cấp một môi trường tích hợp hoàn hảo giữa phần cứng và phần mềm, cho phép thu nhận, hiển thị và báo cáo tín hiệu theo thời gian thực khi kết hợp cùng thiết bị kiểm tra dòng điện xoáy Evident Nortec 600D (N600D).
Các thành phần chính của hệ thống
Bộ phận phần cứng (PICO-BOX):
- Chức năng: Chuyển đổi các tín hiệu đầu ra tương tự (analog) từ thiết bị N600D thành dữ liệu kỹ thuật số để xử lý.
- Đặc điểm: Thiết kế nhỏ gọn, đóng vai trò là giao diện phần cứng giúp số hóa dữ liệu thời gian thực một cách ổn định.
Nền tảng phần mềm (PICO-CHART-E):
- Chức năng cốt lõi: Phần mềm chuyên dụng để thu nhận tín hiệu, trực quan hóa dữ liệu, đánh giá và lập báo cáo kết quả kiểm tra.
- Tương thích: Hiện tại hỗ trợ tối ưu trên hệ điều hành Windows 10.
Các tính năng nổi bật
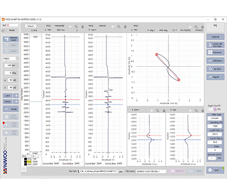
- Hiển thị đa kênh: Hỗ trợ hiển thị thời gian thực cùng lúc 3 kênh: F1, F2 và MIX.
- Phân tích nâng cao: Tích hợp các công cụ vẽ biểu đồ đường cong Chiều sâu & Điện áp (Depth & Voltage Curve Plotting) cùng các công cụ đặc tính hóa tín hiệu khuyết tật.
- Quản lý dữ liệu thông minh: Tự động lưu trữ dữ liệu đã thu nhận dưới định dạng .csv giúp dễ dàng truy xuất.
- Báo cáo chuyên nghiệp: Có sẵn chức năng tạo và in báo cáo phân tích ngay trên phần mềm.
- Điều khiển từ xa: Cho phép điều khiển từ xa các chức năng của bộ máy chính N600D.
- Chức năng Landmarking: Hỗ trợ đánh dấu các điểm tín hiệu quan trọng trong quá trình phân tích.
Tính năng phần mềm
- Công cụ kiểm tra ống HVAC – Biểu đồ PICO sử dụng N600D
- Hỗ trợ thời gian thực cho màn hình 3 kênh (FI, F2, MIX)
- Hỗ trợ các chức năng đường cong pha và biên độ.
- Hỗ trợ thu thập dữ liệu thời gian thực
- Hỗ trợ lưu và tải dữ liệu
- Hỗ trợ chèn mã điểm mốc và mã lỗi
- Hỗ trợ báo cáo phân tích tín hiệu
- Hỗ trợ chức năng điều khiển từ xa
Thông số kỹ thuật & Thông tin thương mại
- Thiết bị tương thích: Evident Nortec 600D (N600D).
- Hệ điều hành hỗ trợ: Windows 10.
- Trọn bộ sản phẩm bao gồm: 01 PICO-BOX, 02 cáp USB, và 01 bản quyền phần mềm (USB dongle).
- Thời gian giao hàng (Lead Time): Khoảng 08 tuần.











